My brake upgrade
-
adsblacksud
- Posts: 142
- Joined: Thu Jan 30, 2014 11:49 pm
- Location: Wiltshire
My brake upgrade
Further to Tim's query I can describe the changes I have made to my front brakes
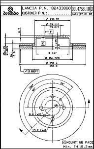
1. 239mm disc replaced with 257mm disc from an alfa 164 Twin Spark
1. 239mm disc replaced with 257mm disc from an alfa 164 Twin Spark
-
adsblacksud
- Posts: 142
- Joined: Thu Jan 30, 2014 11:49 pm
- Location: Wiltshire
Re: My brake upgrade
The disc needed a slight chamfer machining on the inner edge to clear the hub lugs - I have heard that Punto GT discs may not need this work doing.
-
adsblacksud
- Posts: 142
- Joined: Thu Jan 30, 2014 11:49 pm
- Location: Wiltshire
Re: My brake upgrade
The calipers used are Wilwood Powerlite four pot with 1.38" pistons.
With both nearly a doubling in piston area and disc radius increased 7.5% the braking effect should be increased over standard. As stated before, this will fit under 13 inch revos with no fouling issues.
With both nearly a doubling in piston area and disc radius increased 7.5% the braking effect should be increased over standard. As stated before, this will fit under 13 inch revos with no fouling issues.
- Attachments
-
- disc.jpg (11.23 KiB) Viewed 11226 times
Last edited by adsblacksud on Mon Feb 23, 2015 10:04 pm, edited 2 times in total.
- PETROLHEAD
- Posts: 3059
- Joined: Thu Sep 26, 2013 7:51 pm
- Location: Nottingham
Re: My brake upgrade
err just a tad! 
SHREW
I AM the Law!
Alfa Romeo 33 1.7 ie, Giulietta QV, 159 ti Sportwagon, Daihatsu Charade Turbo SR
I AM the Law!
Alfa Romeo 33 1.7 ie, Giulietta QV, 159 ti Sportwagon, Daihatsu Charade Turbo SR
-
adsblacksud
- Posts: 142
- Joined: Thu Jan 30, 2014 11:49 pm
- Location: Wiltshire
Re: My brake upgrade
The discs are fitted to the hubs with a custom made adaptor.
I made up a dummy in wood, checked the measurements and clearances (three times..) and then got a local engineering company to cnc a pair out of aluminium. It's probably more chunky than it needs to be but it does the job.
I made up a dummy in wood, checked the measurements and clearances (three times..) and then got a local engineering company to cnc a pair out of aluminium. It's probably more chunky than it needs to be but it does the job.
- Attachments
-
- caliperplanview.jpg (11.54 KiB) Viewed 11225 times
Last edited by adsblacksud on Mon Feb 23, 2015 9:52 pm, edited 1 time in total.
-
adsblacksud
- Posts: 142
- Joined: Thu Jan 30, 2014 11:49 pm
- Location: Wiltshire
-
adsblacksud
- Posts: 142
- Joined: Thu Jan 30, 2014 11:49 pm
- Location: Wiltshire
Re: My brake upgrade
This photo shows the installation from the driveshaft side
- Attachments
-
- hubdisccaliper.jpg (13.15 KiB) Viewed 11225 times
-
adsblacksud
- Posts: 142
- Joined: Thu Jan 30, 2014 11:49 pm
- Location: Wiltshire
-
adsblacksud
- Posts: 142
- Joined: Thu Jan 30, 2014 11:49 pm
- Location: Wiltshire
-
adsblacksud
- Posts: 142
- Joined: Thu Jan 30, 2014 11:49 pm
- Location: Wiltshire
Re: My brake upgrade
I've checked my calculation and the piston area increase is 7% not double as you have to count a sliding single caliper as if it is two pistons.
So we have a 7% increase in piston area and a 7.5 % increase in radius, which whilst not earth shattering is worth having.
The set up is lighter even with the larger disc and should be more efficient over the single piston slider arrangement.
So we have a 7% increase in piston area and a 7.5 % increase in radius, which whilst not earth shattering is worth having.
The set up is lighter even with the larger disc and should be more efficient over the single piston slider arrangement.
Re: My brake upgrade
Thanks for this.
Could I have the measurements or do you think the machine shop would make another pair?
Could I have the measurements or do you think the machine shop would make another pair?
-
adsblacksud
- Posts: 142
- Joined: Thu Jan 30, 2014 11:49 pm
- Location: Wiltshire
Re: My brake upgrade
I'll do both - I probably won't have the info until this time next week as I am on the road this week - is that ok?
Re: My brake upgrade
Thanks, any info is appreciated as and when you have time, thanks again.
